欢迎来到乐鱼网页版登录入口-乐鱼online(中国)

您当前所在的位置:主页 > 产品中心 > 滑车系列 >
PULLEY SERIES
滑车系列

三轮吊环型电力滑车

三轮吊环型电力滑车

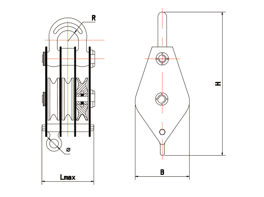
1、滑轮,采用精致铸钢轮,较之铸铁轮更加安全耐用。 2、合页,优质低碳合金钢锻造而成。并经过科学热处理,进而得到较高的综合强度和耐用度。 3、吊钩,经过精心设计,采用优质低碳

全国咨询热线:

更多联系方式
-产品详情- -产品参数-
1、滑轮,采用精致铸钢轮,较之铸铁轮更加安全耐用。
2、合页,优质低碳合金钢锻造而成。并经过科学热处理,进而得到较高的综合强度和耐用度。
3、吊钩,经过精心设计,采用优质低碳合金钢锻造而成。并经过科学热处理,达到体积小,重量轻,抗疲劳度高的优点。
4、综合特点,乐鱼网页版登录入口-乐鱼online(中国)索具开发的电力起重滑车,结构先进,外型美观,应用广泛,体积小,重量轻,抗疲劳度高,请客户放心选择用。
5、适用范围:用于组立杆塔、架线、吊装设备及其它起重吊装作业。

产品参数

相关产品

创造客户价值 助力客户成功

乐鱼网页版登录入口-乐鱼online(中国)凭借着高新的技术、优异的品质及良好的服务赢得了客户点赞,在国内外众多企业大放异彩!

COPYRIGHT© 乐鱼网页版登录入口-乐鱼online(中国) ALL RIGHTS RESERVED